·
YL8818H是一款用于网络摄像机和监控摄像机的镜头驱动芯片。芯片内置光圈控制功能;通过电压驱动方式以及扭矩纹波修正技术,实现了超低噪声微步驱动。

主要特点
*电压驱动方式,256 微步驱动电路(两通道)
*内置光圈控制电路
*四线串行总线通信控制马达
*内置用于 LED 驱动的 Open-drain 双系统
*支持无源晶振
应用
*摄像机
*监控摄像机
封装形式
*QFN44(0606X0.75- 0.4)
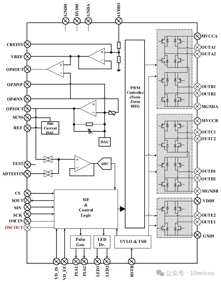
内部框图

管脚排列图


YL8818H是一款用于网络摄像机和监控摄像机的镜头驱动芯片。芯片内置光圈控制功能;通过电压驱动方式以及扭矩纹波修正技术,实现了超低噪声微步驱动。
主要特点
*电压驱动方式,256 微步驱动电路(两通道)
*内置光圈控制电路
*四线串行总线通信控制马达
*内置用于 LED 驱动的 Open-drain 双系统
*支持无源晶振
应用
*摄像机
*监控摄像机
封装形式
*QFN44(0606X0.75- 0.4)
内部框图
管脚排列图